新幸运飞行艇开奖168体彩

欢迎光临新幸运飞行艇开奖168体彩网站

现在是2026/4/6 4:02:40

行业动态您的位置是:首页 > 新闻中心 > 行业动态

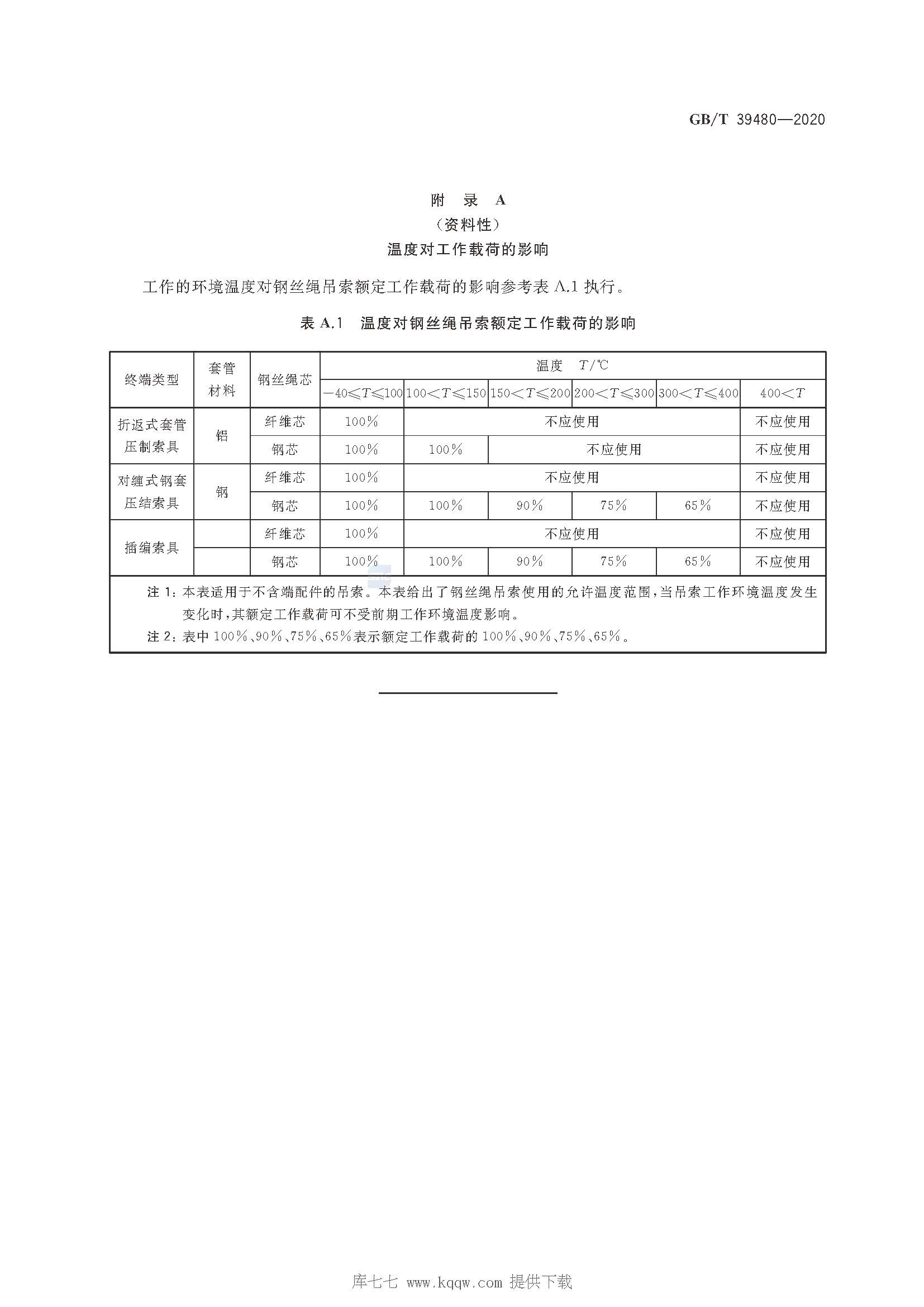
钢丝绳吊索 使用和维护

日期:2021-04-19  

1.


版权所有@新幸运飞行艇开奖168体彩 备案号 陕ICP备63044146号

公司地址:西安经济技术开发区未央路136号东方濠璟商务大厦第21、22层

电话:029-86520095 传真:029-86520060 邮编:710016

您是第4727212位访客!今天共有413位访客!
新幸运飞行艇开奖168体彩